硬质合金焊接刀片
Cemneted carbide brazed tips
·国际标准Tips as per ISO                
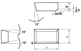
·HE型(Type)
Type
Dimension(mm)
l
t
s
HE4
10.0
4.0
2.5
HE5
12.0
5.0
3.0
HE6
14.0
6.0
3.5
HE8
16.0
8.0
4.0
HE10
18.0
10.0
5.0
HE12
20.0
12.0
6.0
HE16
22.0
16.0
7.0
HE20
25.0
20.0
8.0
HE25
28.0
25.0
9.0
HE32
32.0
32.0
10.0
·HG型(Type)
Type
Dimension(mm)
l
t
s
r
HG8
8.0
12.0
4.0
1.0
HG10
10.0
14.0
4.0
1.5
HG12
12.0
17.0
5.0
2.5
HG16
16.0
20.0
6.0
3.5
HG20
20.0
24.0
6.0
4.5
HG25
25.0
28.0
8.0
6.0
HG32
30.0
34.0
10.0
8.0
·HK型(Type)
Type
Dimension(mm)
l
t
s
HK2
2.5
15.0
4.0
HK3
3.5
15.0
4.0
HK4
4.5
15.0
4.0
HK5
5.5
15.0
4.0
HK6
6.5
15.0
4.0
HK7
7.5
15.0
4.0
HK8
8.5
20.0
6.0
HK9
9.5
20.0
6.0
HK10
10.5
20.0
6.0
HK12
12.5
20.0
6.0
   

 

地址:浙江省乐清市芙蓉镇工业区 
邮编:325612
电话:0086-577-62299888 62295699 62295799
传真:0086-577-62292399
Http://www.cn-hongFeng.com
E-mail:HF1@cn-hongFeng.com
ADD:FuRong Industrial Zone,YueQing City,ZheJiang,China.
PIC:325612
Tel:0086-577-62295799 62291799 62292699
Fax:0086-577-62292399
Http://www.cn-hongFeng.com
E-mail:HF1@cn-hongFeng.com